產品推介|風華高科電阻器:從單項冠軍產品出發,全域突破高端電子應用
在電子電路中,電阻作為基礎無源元件,承擔著電流檢測、電壓取樣、限流保護、阻抗匹配等關鍵功能,直接影響電路的穩定性與安全性。風華高科憑借“厚膜-合金-薄膜”三位一體的核心技術平臺,打造高性能片式電阻,滿足現代電子設備對高穩定、高功率的嚴苛需求,廣泛應用于智能終端、新能源汽車、工業控制、醫療電子、低空經濟、AI算力等各大領域。
公司不斷拓寬電阻技術邊界,片式電阻器獲評國家級制造業單項冠軍產品,并持續衍生適配不同應用領域的電阻新品,以優質產品和創新解決方案,推動全球電子科技產業的升級發展。


車規厚膜精密電阻AS系列:重新定義厚膜電阻性能
風華高科憑借AS系列車規級厚膜電阻成功打破國外技術襲斷,成為國內首家實現該類產品規模化量產的企業。
風華AS系列產品是針對新能源汽車800V平臺、工業自動化領域以及1000V+光伏、儲能系統、充電樁等新興行業而推出的高耐環境腐蝕能力、高精度、高功率和高可靠性的精密電阻解決方案。產品嚴格遵循AEC-Q200車規標準,可滿足近乎零失效率的可靠性要求。
AS系列車規厚膜電阻在材料與工藝層面實現雙重創新突破。材料技術上,采用高純度氧化鋁(Al2O3)或氮化鋁(AlN)基板,并通過特殊電阻漿料配方優化,顯著提升材料單級性能;工藝技術上,創新燒結工藝結合精密激光調阻技術,將厚膜電阻溫漂(TCR)控制在±25ppm/℃,達到業界領先水平,同時實現阻值精度±0.1%、長期可靠性變化率≤±0.2%。產品兼具薄膜電阻的高精密性(TCR±25ppm/℃)與厚膜電阻的高耐電壓、耐濕、大功率(最高2W)等優良特性,完美解決傳統薄膜電阻在高壓精密采樣電路中的易受浪涌電壓沖擊失效及潮濕失效的行業痛點問題,同時也解決了傳統厚膜電阻易硫化(阻值變大)及銀遷移(阻值變小)的行業痛點問題;此外該系列產品的電壓系數也較普通的厚膜電阻有了大幅的提升,特別適用于有高可靠性要求,涉及戶外應用的高壓母線電壓分壓取樣電路。

合金電阻MI系列:突破厚度與阻值的性能邊界
合金電阻作為以金屬合金為核心材料的精密電子元件,憑借低阻值、高精度、低溫漂(TCR)、耐脈沖電流及高功率密度等核心特性,在電子電路中占據重要地位。但受合金材料固有特性制約,傳統合金電阻在追求超低阻值時,需增加厚度,這導致其體積偏大,空間利用率難以提升,無法滿足日益小型化的電路設計需求。
針對這一行業痛點,風華高科依托成熟的陶瓷基貼片合金電阻MF系列技術平臺,通過材料創新與工藝升級,重磅推出新一代MI系列合金電阻,實現了兩大關鍵突破。一是厚度與重量較MF系列同阻值產品大幅減少約50%,二是阻值范圍向下拓展至0.5mΩ(原最低為2mΩ),滿足更低功耗電流檢測需求。
MI系列產品具備更薄的封裝、更小的尺寸(如0603/0402),極大節省PCB布局空間,提升高密度電路設計靈活性。體積優化的同時,保持良好的穩態濕熱負荷性能(△R≤±1%)與低溫漂特性(TCR最低±100ppm/℃)。產品通過“減厚不減性能”的設計理念,為電路工程師提供了更優的小型化超低阻值的電流檢測解決方案,助力智能移動終端設備向更輕薄、更高效的方向發展。

薄膜三表電阻TB系列:提供智能計量高精度解決方案
風華高科TB系列薄膜電阻專為智能三表(電表、水表、燃氣表)設計,滿足高精度計量、信號調理及功率管理需求,符合《電能計量設備用元器件技術規范 第3部分:電阻器》標準要求,為智能計量提供穩定可靠的電阻解決方案。智能三表對元器件的長期穩定性和環境耐受性要求極高,傳統厚膜電阻易受硫化、濕熱影響導致計量偏差。TB系列產品通過材料創新和工藝升級,在保證±0.1%精度的同時,解決了行業高發的硫化失效和溫漂超標問題,助力智能表計壽命提升至16年以上要求。產品憑借優異的電性能表現,完美適配智能儀表應用。

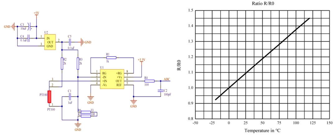
薄膜鉑熱敏電阻PT系列:工業設備“體溫計”
風華高科PT系列薄膜鉑熱敏電阻是基于先進半導體工藝開發的高精度溫度傳感器,專為工業級溫度測量與控制系統設計。PT100-1206型號作為系列代表產品,采用創新制備工藝,在溫度測量精度和穩定性方面實現突破。產品采用先進制備工藝,包括PVD物理氣相沉積結合干法刻蝕工藝、精密光刻技術實現μm級功能膜層控制、全自動激光修調確保阻值一致性。電阻測溫范圍為-50℃到500℃?,B值(材料常數)在3750±50ppm/℃-3850±50ppm/℃可調,全溫區測量誤差≤±0.3℃,具備優異的線性輸出特性。

近年來,風華高科戰略布局新興領域,重點鎖定AI算力、低空經濟、機器人及新能源汽車等下游新興產業領域的頭部企業作為核心目標客戶群體。公司依托持續的技術創新與產品優化,在電阻產品領域競爭優勢顯著,與眾多行業頭部企業建立起穩固的合作關系。通過深度參與客戶新應用場景的產品導入,電阻產品在各業務板塊銷售額實現持續突破,市場份額穩步提升,品牌影響力不斷擴大。目前,風華高科成為全球電子科技產業發展中不可或缺的重要合作伙伴,以技術賦能新興產業升級,持續為行業發展注入創新動力。
接下來,風華高科將深入踐行FAITH經營理念,持續高效創新,加大研發投入,不斷創新技術,在關鍵材料、核心工藝和先進產品等領域實現自主可控,推動中國電子元器件產業向高端化、智能化、國際化邁進,為加快建設科技強國貢獻風華力量。